Denne enhed giver dig mulighed for at slå et kredsløb til og fra optisk. Det består af et støbt plastikhus med en IR -LED mod en fototransistor på tværs af et hul. Ethvert objekt i kløften afbryder IR -strålen og skifter følgelig fototransistoren til og fra. Enheden er meget hurtig og ideel til tælling, timing eller sensing. Full specifikationer leveres med hver enhed.
FUNKTIONER:
- PCB eller chassismontering
- Lav omkostning- Rugged et stykke konstruktion
- Meget fastapplicering:
- Counter Sensor
- Tachometer
- Opto -tænding
- Edge Sensor
- Tape End Sensor.
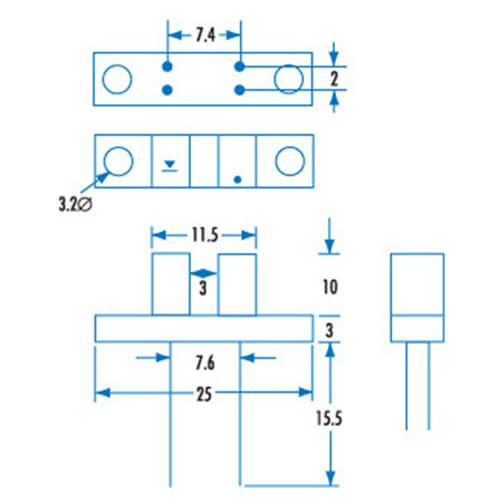
Product Specifications
- OptoCouPler Type: Foto -afbryder
- OptoCouPler -driftsstrøm: 50 mA
- Omvendt spænding: 5V
- Aktiv monteringstype: Gennem hul
- Aktiv forbindelsestype: Loddeben
- Komponentpakke: radial
- Aktivt antal ben: 4 tæller
- Diameter på ben: 0,38 mm
- Benafstand: 2,54 mm
- Length : 6 cm
- Width : 7 cm
- Height : 1 cm